Frequently asked questions and answers for General purpose Relays - Industrial Automation
Can three G3PX Power Controllers for single-phase applications be combined for control of three-phase loads?
No.
Three-phase loads are controlled by each having a phase angle separated by 120°, so three G3PX Units for single-phase applications cannot be used. Always use a Three-phase Controller to control three-phase loads.

Sometimes the G3PX-260E[] can be used for an open delta configuration (see the connection diagram below).

Note:The G3PX-220E[]/240E[] (20 A/40 A) cannot be used.
Which terminals should the G3PX Power Controller inputs be connected to?
It depends on the type of input.
(1) 4 to 20-mA or 1 to 5-V Inputs
Terminals: 4 and 5
Note:The terminals are the same (4 and 5) for both current and voltage inputs.
Input impedance: 250 Ω

(2) Analog Inputs Using External Main Setting

Terminal numbers 3 to 5
(1) Power ON/OFF Pulse Signal Inputs
Example

(2) Contact ON/OFF Pulse Signal Inputs

Note:There is only one input of whatever kind. The G3PX may be damaged if there is more than one signal is input.
What is a soft start?
Soft start is a function that enables smoother starting by suppressing the inrush current when the load power supply is turned ON. Soft starts are particularly useful for loads with large inrush currents, such as halogen lamps.
The G3PX Power Controller has soft start, soft up, and soft down functions that adjust the soft start time and the up/down times using hardware adjustments. This prevents sudden changes to outputs, which shorten heat life
A halogen lamp has three to five times more inrush current if it does not have a soft start function. (The inrush current time is short.)
Such a large inrush current has a huge impact on the G3PX itself and the system.

If the halogen lamp is used with a soft-start function it gradually turns ON, starting with the smallest phase angle, as shown in Fig. 2.
This is how the inrush current is suppressed.

In PID control, what are the differences between ON/OFF time-sharing proportional control, cycle control, optimum cycle control, and phase control?



How many G3PX Power Controllers can be connected to one Temperature Controller?

Up to two G3PX Controllers can be connected in a serial drive. However, an OMRON Temperature Controller (allowable load impedance: 600 Ω) must be used.


If 200V is applied to the AC100V terminal, what will happen?
When the G3PX turns ON and a load current flows, a residual voltage is produced on the switching element.
The heating value will be obtained from the following formula.
Example:
Case of the G3PX-220EUN (with rated currents of 20A)
VRMS (residual voltage)=1.6V (output ON voltage drop in the brochure)
If the power consumption is indicated as P:
P=20A×1.6V
P=32W
This is the power consumption of the G3PX.
In terms of calorie 1cal/s equals 4.19W, therefore:
32W÷4.19 ≒ approx.7.6cal/s
The residual voltage means the voltage lost inside the semiconductor when it turns ON.
What is a Power Regulator?
A Power Regulator is a device for regulating power. There are various types of Power Regulators for various types of power control. OMRON Power Regulators use phase control and receive signals from a Temperature Controller or variable resistor and performs precise heater control
Some Power Regulators are called Thyristor Units and SCR Units.
What is the gradient setting?
The gradient setting is a function for adjusting the output variation using internal or external variable resistors, as shown in the following diagram. The gradient setting function is separate from the temperature control signals and is used to refine the output amount.
If the internal and external variable resistor controls are used at the same time, the internal variable resistor setting will take precedence
Example:
If the internal gradient setting is 0%, the external gradient setting can be adjusted only between 0% and 80%.

What are the conditions for detecting disconnection for G3PX-2[][]EHN-CT Power Controllers that detect disconnection for multiple heaters?
The disconnection detection conditions are listed below.
1. The load current must be 1 A min.
2. The CT detection current must be 30% or higher of the rated maximum load current.
Note:Increase the number of CT turns if the CT detection current is 30% or less.
3. Up to five heaters can be connected (20% multiple heater disconnection detection characteristics)

Why is the same power supply used for both the circuit power supply and the load power supply?
The phase zero point must be detected to perform phase control. To detect the zero point, the phases must be the same. Phase difference may result in malfunctions. (The input signal and output amount will not match.)
Is it possible to use a three-phase power supply for single-phase G3PX Power Controllers?
There is no problem if only one G3PX is used but the following issues arise if more than one G3PX is used. The G3PX-220E[]/240E[](20A/40A) use triac output elements.
If more than one single-phase models is connected to different phases in a three-phase power supply, the power supply distortion or phase control noise may make outputs unstable. (With G3PX-EH/-EHN/-EC Controllers this may cause disconnection/element ON fault detection, overcurrent detection, alarm malfunctions, etc.)
For these reasons, the power supply must be taken from the same phases if using a three-phase power supply. The G3PX-260(60A)E[] uses a thyristor for the output element and is not easily affected.
G3PX-220E[]/240E[] (20 A/40 A)

The following countermeasures can be used if it is not possible to take the power from the same phases.
1. Use the G3PX-260E[] (which uses a thyristor as the output element).
2. Use the G3PX-220DU (Three-phase Controller).
Why does the constant-current model sometimes have all indicators ON?
A constant-current model will sometimes not be able to perform control if used with a current load much smaller than the rated current.
Possible Countermeasures:
1. Adjust the CUR LIM adjuster until one of the level indicators turns OFF.

2. If using 50% or less of the rated current, increase the number of turns of the wire on the CT.
Example:
50% of the rated current: 2 turns
25% of the rated current: 4 turns
Applicable models: G3PX-2[][]EC/G3PX-2[][]DC Power Controllers
What is a level indicator?
A level indicator is a series of 6 level LEDs used to visually check the output level. It is not a very accurate indicator, however, and only provides an indication of the load output.
To accurately find out the output amount, use a meter that displays the effective values of AC circuit voltage and current.

What is the minimum load current value that can be set?
The load current is limited to 1A at 100% output.
TRIAC or Thyristor output elements have a minimum holding current. If the load current is less than 1A, decrease in output signals cannot make output elements keep in the ON state, so that oscillating waveform may occur or they may not be turned ON.
How much heating value flows from the Electrical Regulator "G3PX"?
When the G3PX turns ON and a load current flows, a residual voltage is produced on the switching element.
The heating value will be obtained from the following formula.
Example:
Case of the G3PX-220EUN (with rated currents of 20A)
VRMS (residual voltage)=1.6V (output ON voltage drop in the brochure)
If the power consumption is indicated as P:
P=20A x 1.6V
P=32W
This is the power consumption of the G3PX.
In terms of calorie 1cal/s equals 4.19W, therefore:
32W÷4.19≒approx.7.6cal/s
The residual voltage means the voltage lost inside the semiconductor when it turns ON.
What is the constant-current function?
This is a function that protects the heater and the system by automatically suppressing excessively large inrush current, such as with pure metal heaters.
As shown in Figure 1, ten times the rated current flows when power is applied to pure metal heaters, for which molybdenum and tungsten are typical. (This current cannot be fully suppressed by using a long soft-start time.)

As shown in Figure 2, the constant-current circuit functions to automatically regulate to the current in response to the input signal. Inrush current is suppressed by reducing the ON phase.
(Overcurrent detection will operate and the switching elements will be protected if a large current flows that the constant-current circuit cannot suppress. If this occurs, the input signal will be cut off, and the level indicator will flash.)

Note: Protection is not provided in case of protection short circuit. Also use a quick-burning fuse.
What wiring should be used between a Temperature Controller and the G3PX Power Controllers?
Controlling with a 4 to 20-mA-output Temperature Controller

Note: Up to 2 drivable G3PX and a current output Temperature Controller can be used.
This is restricted, however, to Temperature Controllers with an allowable load impedance of 600 O.

Note: The gradient can be changed using either the internal or external gradient setting using the external adjuster.
2. ON/OFF Control
Note: The gradient can be changed using either the internal or external gradient setting.
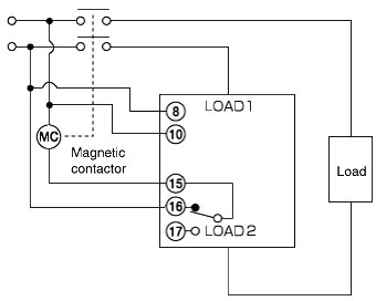
How should failure detection be wired?
The G3PX Power Controller power supply should be wired from the circuit breaker or contactor to protect the circuit by operating the host circuit breaker or contactor using the G3PX failure detection relay output. The alarm output cannot be reset if it is wired from the secondary side.

What is phase control?
Phase control is control method in which the output amount is changed each half cycle. It enables high-precision temperature control.

Analog control of the output power is possible by receiving a 4 to 20-mA current output signal from the Temperature Controller.
The high-precision control makes the Temperature Controller resistant to external interference and the small heat shock means the heater life can be extended.
Note: Noise is generated, however, because it is not a zero-cross circuit.
For the Electrical Regulator "G3PX" with the constant-current function, can protection be provided with the G3PX against load short circuiting?
No. Protection is not provided.
If short-circuit current flows, the elements will be destroyed before the constant-current or overcurrent detection currents operate. To protect the G3PX from short-circuit accidents, connect a quick-burning fuse.
Note: Noise is generated, however, because it is not a zero-cross circuit.


Applicable Models: G3PX-2[][]EC/ G3PX-2[][]DC